产品中心
PRODUCT CENTER
PRODUCT CENTER
文章推荐
AGGAME
联系人:尹经理
联系电话:13276363313
QQ:1138303036
公司地址:山东省潍坊市高新区光电路155号光电产业加速器(一期)
路面状况传感器
发布时间:2024-05-06 16:18:37
型号:TH-LM1
品牌:AGGAME
路面状况传感器是一种用于监测和评估道路表面状态的技术设备,这些传感器可以采用多种技术,包括遥感技术、激光测量技术、图像处理技术和机器学习方法等,以实现对路面的实时监控和数据分析。
产品描述
一、路面状况传感器产品介绍
TH-LM1系列非接触式路面状态检测器,它采用遥感技术,避免了对道路的破坏,从而不会因为安装道路气象站引起的对交通的干扰。多光谱测量技术使得能准确检测道出道路表面结冰、积雪和积水的存在状态和厚度,同时还能实时监测影响交通安全的大雾、雨和雪等天气现象。
二、路面状况传感器功能
l检测路面积水、积雪、结冰状态
l远距离遥感检测路面、桥面状况
l非埋入式安装快捷简便
l车流量和事故多发区域
l雨雪多发区域
l维护成本低
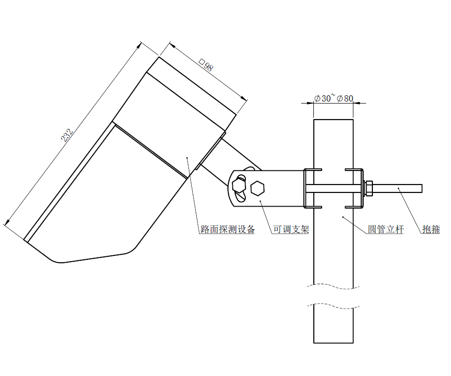
三、路面状况传感器产品尺寸图

四、路面状况传感器主要指标
型号 | TH-LM3(停售) | TH-LM1 |
检测距离及检测区域直径 | 2-8米;23cm | |
对水平线的安装角度 | 30-80度 | |
电源及功耗 | DC12-24V; 0.6W | |
工作温度和湿度 | 温度:-40 ºC 至 +60 ºC ; 湿度:0 至 95% | |
积水厚度 | - | 0-10 mm |
覆冰厚度 | - | 0-2 mm |
积雪厚度 | - | 0-2 mm |
湿滑程度 | - | 0.01(湿滑)-0.82(摩擦强) |
路面状态报告 | 干燥、 潮、 湿、 雪、 冰、 冰水混合 | |
公路天气现象(选配) | 路面温度: -40 ºC 至 +60 ºC | |
天气现象: 雨;雪;大雾 | ||
路面材料 | 混凝土、沥青路面 | |
通讯 | RS485、RS232 | |
文章地址:http://www.caudalieshop.com/bjdcgq/1142.html
- 上一篇:20千米能见度传感器
- 下一篇:没有了!

您当前位置:






